超音波檢測器
EPS-706SH
紅外線檢測器
EPS-708
控制器
EPD-3008-A
控制器
EPD-3008P
操作器
EPOP-03A
 
電動缸
EPM-6160系列
 
電動缸
EPM-6320系列
 
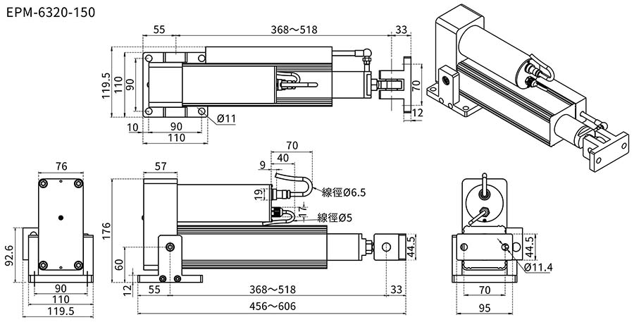
「電動缸EPM-6320系列 」
電動缸 EPM-6320系列,以直流馬達做為驅動裝置 ,適合於位移量小,驅動速度快,負載相對較低的材料對邊控制,譬如薄膜、紙張等材料。

操控容易,使用壽命長。

整體結構簡單,安裝容易。

採用精密齒輪搭配皮帶輪傳動,扭力輸出穩定。

可視需要,加裝編碼器,使位移的控制更精準。
 
EPM-6320-150   EPM-6320-300
電動缸EPM-6320系列 規格表
機型 EPM-6320-100 EPM-6320-150E EPM-6320-300E
最大推力 320kgf
行程 100mm 150mm 300mm
速度 15mm/s
馬達 DC±24V, 2.4A (3A Max. )

回授裝置

PG (600 P/R) (選配規格)
重量 12.5kg 12.6kg 14.5kg
使用環境 1. 0 ℃∼40 ℃
2. 35~85% RH(不結露)
3. 無腐蝕性、無可燃氣體、無導電性塵埃
電動缸EPM-6320-150 配線圖  
電動缸EPM-6320-x系列 尺寸圖
 
A) EPM-6320-100
B) EPM-6320-150
C) EPM-6320-300
電動缸EPM系列 應用實例
影片示範吹袋機對邊控制,本系統使用檢測器EPS-706SH控制器EPD-3008-A驅動裝置EPM-6160
 
電動缸EPM系列應用於吹袋機的對邊控制實例。
薄膜紙材對邊控制裝置
超音波檢測器
EPS-706SH
紅外線檢測器
EPS-708
控制器
EPD-3008-A
控制器
EPD-3008P
操作器
EPOP-03A
 
電動缸
EPM-6160系列
 
電動缸
EPM-6320系列
 
 
運泰電機有限公司
桃園市桃園區大仁路50巷101號
電話:+886-3-2181266
傳真:+886-3-2181338
Mail:yunntay@ms15.hinet.net
Line : @292zoclw
Motion Control System
系統介紹
紡織業應用例
塑膠業應用例
電子業應用例
機械業應用例
公司介紹
公司簡介
品質政策
 
聯絡窗口
 
首頁
英文版
 
 
張力控制系統
Tension Controller
TC-2060
TC-2050
TC-3050
TC-2010
TC-3210
TC-2030
PA-2405
PD-2X06
Tension Detector
LMS series
PDS series
YTTC-260
YTTC-5260
其他控制器
比例連動控制器
YTMC-1106, 5106
YTMC-1109, 5109
YTMC-2135, 5135
YTMC-3161, 5316
YTMC-3163, 5363
YTMC-3165, 5165
YTMC-6318, 5318

YTMC-6335, 5335

YTMC-6345
YTMC-6155, 5155
YTMC-2146
微間隙定位控制器
MGC-528
糾偏控制系統
對邊控制系統 EPC system
薄膜紙材EPC
EPS-706SH
EPS-708
EPD-3008-A
EPD-3008P
EPOP-03A
EPM-6160 series
EPM-6320 series

布料皮革EPC / 電動缸驅動型

EPS-706SH
EPS-708
EPD-3008-A
EPD-3008P
EPOP-03A
EPM-6160 series
EPM-6320 series

布料皮革EPC / 直流馬達驅動型

EPS-807
EPD-58LR
EPM-73GM
EPM-52
定型機入布導引裝置

布料皮革EPC / 油壓驅動型

EPS-5051
EPD-115-AM
EPD-215-AM
 
 
對中控制系統 CPC system
Detector
EPS-706SH
EPS-708
EPS-5051
EPS-623-SD
EPS-823
Controller
EPD-3008-A
EPD-3008P
EPOP-03A
Drive Device
WCPC-150D單軸式
WCPC-150D雙軸式
CPC series
對線控制系統 LPC system
Detector
EPS-111
Controller
EPD-3008-A
EPD-3008P
EPOP-03A
Drive Device
EPM-6160 series
EPM-6320 series
CPC series
WCPC-150D單軸式
WCPC-150D雙軸式
 
送料檢測系統
布料金屬檢測系統
MMD-825
WMDC-8025
幅寬量測系統
Detector
WWD-X series
EPS-706SH
EPS-708
EPS-5051
EPS-623-SD
EPS-823
Controller
WWDC-3233
EPD-3008-A
Drive Device
WCPC-150D
糾偏檢測裝置
EPS-706SH
EPS-708
EPS-5051
EPS-5042
EPS-807
EPS-623-SD
EPS-823
EP-10
備品區
 
 
 
運泰電機有限公司-Euntay Electric Co., Ltd.

運動控制系統製造商,張力控制系統生產商,運動控制工廠,

張力控制系統 Tension Control System 原理,捲取張力,捲出張力,

張力控制器、張力檢出器,Load Cell、荷重元、負荷元、檢知器,

對邊控制器 ,糾偏導正裝置、邊緣追蹤器、對邊機、EPC,
超音波對邊檢出器、紅外線對邊檢出器、對照式檢知器、反射式檢知器,
電動缸、糾偏導引裝置電動缸、中間導正座、中心導正座、油壓驅動器,
直流馬達驅動器、直流無刷馬達驅動器、DC馬達驅動器、Motor Drive
Tc11a Tc11o Tc12a Tc12o Tc13a Tc13o Tc14a Tc14o Tc15a Tc15o Tc16a Tc16o   Tc21a Tc21o Tc22a Tc22o  
Ea11a Ea11o Ea12a Ea12o   Ea21a Ea21o Ea22a Ea22o Ea23a Ea23o   Ea31a Ea31o Ea32a Ea32o Ea33a Ea33o        
Eb11a Eb11o Eb12a Eb12o Eb13a Eb13o Eb14a Eb14o Eb15a Eb15o Eb16a Eb16o   Eb21a Eb21o Eb22a Eb22o Eb23a Eb23o Eb24a Eb24o Eb25a Eb25o
  Eb31a Eb31o Eb32a Eb32o Eb33a Eb33o Eb34a Eb34o   DC1 DC2 DC3 DC5 DCo   000 Tc+1 EPC+1 EPC+2 DC+1 DC+2 ENG
01 03 04 05 06 07 08a 08b   09a 09b 09c 09d 09e 09f 09g 09h   10
11 11b 12 13 14a 14b 14c 15 15b   16 17 18 19a 19b 20 21    
22a 22b 22c 22d 22e 22f   23 24         90 91 92 93 94 95